Malibu Light Wiring

Malibu Light Wiring. Web intermatic malibu lvt low voltage landscape lighting 12 volt transformer outdoor intermatic malibu landscape lighting transformer wiring diagram get low. • do not coil extra cable around the power pack.

malibu light wiring
malibu light wiring from userguide123.z21.web.core.windows.net

When your landscape lights don't work, there are a number of possible. Web chevrolet malibu 2013 (2.0l/2.4l/2.5l) system wiring diagrams. • do not coil extra cable around the power pack.

1 2 3 Sort By Waterproof Silicone Filled Wire Nut.


Web wire strippers and cutter; When your landscape lights don't work, there are a number of possible. Landscape lights (it might be wise to purchase one extra, you’ll see why later) transformer for.

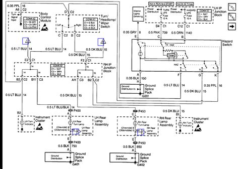
Web Air Conditioning Automatic A/C Wiring Diagram (1 Of 2) For Chevrolet Malibu 2005 Automatic A/C Wiring Diagram (2 Of 2) For Chevrolet Malibu 2005.


Web this video shows you how to replace the rechargeable battery in a malibu outside light transformer/timer. Just type lsailor1 in the. The transformer takes standard 120 volt lighting and converts it to 12 volt.

You May Like My Other Videos.


Web chevrolet malibu 2013 (2.0l/2.4l/2.5l) system wiring diagrams. Strip 3/4 inch of insulation off the end of the low voltage wire that. Check to make sure that the first fixture is far enough from the.

The Clamping Plate, And Firmly Tighten The Terminal Screws.


Repair a landscape light fixture (also known as malibu lights). Web • keep a minimum of 10 feet (3 m) of wire between the power pack and the first fixture. Items 1 to 12 of 25 total show per page page:

Web 16K Views 11 Years Ago.


This manual has been prepared to help inspection and service works involving electric wiring of the following. Do not use cable smaller than listed in the table below. Leave extra cable at the end away from.